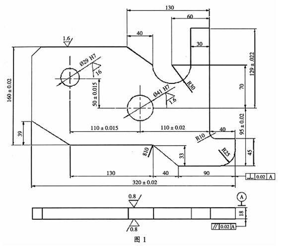
數控銑床在加工整個零件的外形時,根據圖紙要求與裝夾問題需要設計加工夾具以及選擇合理的加工順序及走刀路線如圖一所示,材料為L Y12

]技術要求:
1.未注公差尺寸按GB 1804-m;
2.未注倒角0.5x450.
一 工藝流程分析
平面類零件的外形銑削加工是數銑床加工中最常見零件之一,其輪廓曲線組成不外乎線直線 圓弧 圓弧 圓弧 圓弧 非圓曲線等幾種 所用數控機床多為兩軸以上聯動的數控銑床,加工工藝過程也大同小異 從零件圖 的要求及材料來看,主要因為需要外形加工,又有形位公差要求材料為LY 12,并且批量較大,既要考慮如何保證工件在加工時的定位精度,又要考慮裝夾方便、可靠、穩定,并且小能損傷表而.因此關鍵是解決零件的定位及裝夾問題.
根據零件圖樣,經過工藝分析后,制定出以下加工工藝流程:
1.選用平日虎鉗夾緊,鉆孔一粗鍵一精鍵方案分別加工孔X41X29至圖示尺寸
2.選擇粗銑一精銑加工外輪廓至尺寸
從上述工藝流程來看,在第2步加工時,采用一而兩孔定位的裝夾方法來加工,山于工件外形質量要求較高,因而對夾具的底板(圖2)部分做了修改,避免刀具底齒的磨損與輪廓的一致,提高了刀具的使用壽命如用一般一而兩孔定位的裝夾方法來加工,工件底而將會留有0.1-0.2mm的余量,山于夾具平行度誤差及刀具底齒的擠壓切削,增大了刀具的磨損,使得工件底層的余量部分難以去除通過對夾具底板的改進,則大大減少了勞動強度,提高了產品生產的效率.因此在此類工件的加工工序中主要考慮零件的裝夾及定位.
二、夾具設計
如何保證零件定位準確、裝夾方便和加緊可靠昵?根據運動學可知,剛體在空間的任何運動都可看成是相對于三個互相垂自的坐標“卜而,共有六種運動介成.這六種運動的可能性稱為六個自山度.要使工件在空間處于相對固定小變的位置,就必須限制六個自山度.限制的方法,用相當于六個支承點的定位元件與工件定位基準而接觸來限制.根據工藝流程的分析經過一番考慮,決定該工件采用一而兩孔定位的裝夾方案來加工根據六點定位原理及圖形要求,在實際中設計了如圖2所示夾具.

夾具結構說明:
夾具主要山底板、圓柱定位銷、壓緊螺桿、壓銷螺母、墊圈及壓緊螺母構成
1.底板為夾具的主體部分,用45號鋼制成,外形尺寸為350x250x30,凸臺為工件輪廓向內偏移O.Smm}凸臺高2mm,其余尺寸如l冬}3所示;
2.圓柱銷(短定位銷),材料為45號鋼,零件尺寸為}29f8x14}}41f8x14,中間有X12.5通孔,倒角1 x45 0;
3.壓緊螺桿尺寸為:M12-6hx75.
零件定位裝夾方法及原理:
本夾具主要采用“一而兩孔”定位,夾具主體在數控銑床用壓板壓緊,然后用百分表打表校正夾具體的側而及找平表而,本夾具體以底而基準定位,限制了工件Z軸的移動、X軸的旋轉、Y軸的旋轉三個自山度;短定位銷1限定了工件的X軸的移動、Y軸的移動兩個自山度;短定位銷2限定了工件的X車由的移動、Z軸的旋轉兩個自山度.可見在兩銷連心線方向,X車由的移動自山度被兩個定位銷重復限制,從六點定位原理來看,以上定位出現了重復定位,產生過定位現象.但因為工件上的各定位孔和夾具定位銷的中心距精度很高,通過實踐加工證明,這樣的重復定位可以相容.工件在夾具中定位后一般應夾緊,使工件在加工過程中保持已獲得的定位小被破壞.

三、結束語
通過實際加工生產,證明加工生產工藝流程、夾具設計、刀具及切削用量選用介理,減輕了操作者的勞動強度,提高了產品生產的效率,保證了加工后零件的質量.
本文由 伯特利數控文章 整理發表,文章來自網絡僅參考學習,本站不承擔任何法律責任。
2020-10
1 問題的提出數控加工夾具是數控CNC機械制造加工過程中用來 固定加工對象,使之占有正確的位置,以滿足加工工藝條件、迅速、方便、安全地安裝工件的裝置。夾具通常由定位元件、夾緊裝置 、對刀引導元件、分度裝置、連接元件及夾具體等組成[1]。圖1所示零件是應用于系列礦用防爆電器產品上的… [了解更多]
2020-10
1 雕銑機的特點數控雕銑機集雕刻和銑削于一身,相對于雕刻機,增大了其機床本身承載能力及提高主軸伺服電機功率,主軸轉速更高,精度也更高。雕銑機特點:高轉速,小吃刀量, 高精度加工,且可加工硬度能在洛氏硬度60 以上的材料,加工一次到位。雕刻意味著精細,應用小刀具認真刻啄才能完成。數… [了解更多]
2018-07
FANUC 0 系統 序號 故障征兆 故障原因 解決辦法 1 當選完刀號后,X、Y軸移動的同時,機床也進行換刀的動作,但是,X、Y軸移動的距離,與X、Y軸的移動指令不相吻合,并且每次的實際移動距離與移動指令之差還不一樣 沒有任何報警,應屬于參數問題。 1.修改參數0009號TMF… [了解更多]