加工圖所示零件,毛坯為¢50mm×20mm的圓盤(上、下面和圓柱面已加工好),材料為45鋼,單件生產。

簡單型腔零件
任務實施的具體方法及步驟
加工工藝的確定
1.分析零件圖樣
該零件要求加工矩形型腔,表面粗糙度要求為Ra3.2μm。
2.工藝分析
1)加工方案的確定
根據零件的要求,型腔加工方案為:型腔去余量→型腔輪廓粗加工→型腔輪廓精加工。
2)確定裝夾方案
選三爪卡盤夾緊,使零件伸出5mm左右。
3)確定加工工藝
加工工藝見表。
數控加工工序卡片
數控加工工藝卡片 | 產品名稱 | 零件名稱 | 材 料 | 零件圖號 | |||||||
45鋼 | |||||||||||
工序號 | 程序編號 | 夾具名稱 | 夾具編號 | 使用設備 | 車 間 | ||||||
三爪卡盤 | |||||||||||
工步號 | 工 步 內 容 | 刀具號 | 主軸轉速 /(r/min) | 進給速度 /(mm/min) | 背吃刀量 /mm | 側吃刀量 /mm | 備注 | ||||
1 | 型腔去余量 | T01 | 400 | 100 | 4 | ||||||
2 | 型腔輪廓粗加工 | T01 | 400 | 120 | 4 | 0.7 | |||||
3 | 型腔輪廓精加工 | T01 | 600 | 60 | 4 | 0.3 | |||||
4)進給路線的確定
(1)型腔去余量走刀路線
型腔去余量走刀路線如圖所示。刀具在1點螺旋下刀(螺旋半徑為6mm),再從1點至2點,采用行切法去余量。

型腔去余量走刀路線
圖8-4中各點坐標如表8-2所示。
表8-2 型腔去余量加工基點坐標
1 | (-4,-7) | 2 | (-10,-10) | 3 | (10,-10) |
4 | (10,-3) | 5 | (-10,-3) | 6 | (-10,3) |
7 | (10,3) | 8 | (10,10) | 9 | (-10,10) |
(2)型腔輪廓加工走刀路線
型腔輪廓加工走刀路線如圖所示。刀具在1點下刀后,再從1點→2點→3點→4點→……,采用環切法加工型腔輪廓。

型腔輪廓加工走刀路線
圖中各點坐標如表所示。
型腔輪廓加工基點坐標
1 | (-10,0) | 2 | (-10,7) | 3 | (-17,0) |
4 | (-17,-10) | 5 | (-10,-17) | 6 | (10,-17) |
7 | (17,-10) | 8 | (17,10) | 9 | (10,17) |
10 | (-10,17) | 11 | (-17, 10) | 12 | (-10,-7) |
5)刀具及切削參數的確定
刀具及切削參數見表8-4。
數控加工刀具卡
數控加工 刀具卡片 | 工序號 | 程序編號 | 產品名稱 | 零件名稱 | 材 料 | 零件圖號 | ||||||||
45 | ||||||||||||||
序號 | 刀具號 | 刀具名稱 | 刀具規格/mm | 補償值/mm | 刀補號 | 備注 | ||||||||
直徑 | 長度 | 半徑 | 長度 | 半徑 | 長度 | |||||||||
1 | T01 | 立銑刀(3齒) | Ф12 | 實測 | 6.3 6 | 實測 | D01 D02 | 高速鋼 | ||||||
參考程序編制
1.工件坐標系的建立
以圖示的上表面中心作為G54工件坐標系原點。
2.基點坐標計算(略)
3.參考程序(型腔加工時采用鍵槽銑刀直接下刀)
參考程序
程序 | 說明 |
O8001 | 主程序名 |
N10 G54 G90 G17 G40 G80 G49 G21 | 設置初始狀態 |
N20 G00 Z50 | 安全高度 |
N30 G00 X-4 Y-7 S400 M03 | 啟動主軸,快速進給至下刀位置(點1,見圖8-4) |
N40 G00 Z5 M08 | 接近工件,同時打開冷卻液 |
N50 G01 Z0 F60 | 接近工件 |
N60 G03 X-4 Y-7 Z-1 I-3 | 螺旋下刀 |
N70 G03 X-4 Y-7 Z-2 I-3 | |
N80 G03 X-4 Y-7 Z-3 I-3 | |
N90 G03 X-4 Y-7 Z-4 I-3 | |
N100 G03 X-4 Y-7 Z-4 I-3 | 修光底部 |
N110 G01 X-10 Y-10 F100 | 1→2(見圖8-4) |
N120 X10 | 2→3 |
N130 Y-3 | 3→4 |
N140 X-10 | 4→5 |
N150 Y3 | 5→6 |
N160 X10 | 6→7 |
N170 Y10 | 7→8 |
N180 X-10 | 8→9 |
N190 G01 X-10 Y0 | 進給至型腔輪廓加工起點(點1,見圖8-5) |
N200 M98 P8002 D01 F120 | 調子程序O8002,粗加工型腔輪廓,D01=6.3 |
N210 M98 P8002 D02 F60 S600 | 調子程序O8002,精加工型腔輪廓,D02=6 |
N220 G00 Z50 M09 | Z向抬刀至安全高度,并關閉冷卻液 |
N230 M05 | 主軸停 |
N240 M30 | 主程序結束 |
子程序 | |
O8002 | 子程序名 |
N10 G41 G01 X-10 Y7 | 1→2(見圖8-5),建立刀具半徑補償 |
N20 G03 X-17 Y0 R7 | 2→3 |
N30 G01 Y-10 | 3→4 |
N40 G03 X-10 Y-17 R7 | 4→5 |
N50 G01 X10 | 5→6 |
N60 G03 X17 Y-10 R7 | 6→7 |
N70 G01 X17 Y10 | 7→8 |
N80 G03 X10 Y17 R7 | 8→9 |
N90 G01 X-10 | 9→10 |
N100 G03 X-17 Y10 R7 | 10→11 |
N110 G01 Y0 | 11→3 |
N120 G03 X-10 Y-7 R7 | 3→12 |
N120 G40 G00 X-10 Y0 | 12→1,取消刀具半徑補償 |
N130 M99 | 子程序結束 |
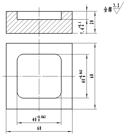
布置作業
練習編寫圖所示零件(未注圓角半徑為R6)的型腔加工工藝及程序。毛坯為60mm×60mm×20mm的長方塊(六面已加工好),材料為45鋼,單件生產。
