隨著機械不斷朝著高速精密 自動化方向發展,對凸輪機構的轉速和精度也提出了更高的要求,因此利用計算機輔助設計和數控機床加工是很有必要的
一 數控編程中的零件加工工藝分析
1. 數控加工工藝概述
無論是手工編程還是自動編程,在編程前都要對所加工的零件進行工藝分析,擬訂工藝方案,選擇合適的刀具,確定切削用量在編程中,對一些工藝問題(如對刀點,加工路線等)也需要作一些處理 因此,數控編程的工藝處理是一項十分重要的工作
(1)數控加工的基本特點: 數控加工的工序內容比普通機加工的工序內容復雜 數控機床加工程序的編制比普通機床工藝規程的編制復雜 (2)數控加工工藝的主要內容: 選擇適合在數控上加工的零件,確定工序內容 分析加工零件的圖紙,明確加工內容及技術要求,確定加工方案,制定數控加工路線 調整數控加工工序的程序分配數控加工中的容差 處理數控機床上部分工藝指令
2. 常用數控加工辦法
(1)平面孔系零件 常用點位 直線操控數控機床(如數控鉆床)來加工,挑選技術道路時,主要思考加工精度和加工功率兩個原則 (2)旋轉體類零件 常用數控車床或磨床加工 思考加工功率:在車床上加工時,一般加工余量大,有必要合理安排粗加工道路,以進步加工功率 思考刀尖強度:數控車床上常用到低強度刀具加工細微凹槽 選用斜向進刀,不宜崩刃 (3)平面概括零件 常用數控銑床加工 應留意: 切入與切出方向操控:徑向切入,工件外表留有凹坑;切向切入 切出,工件外表潤滑 一次迫臨辦法挑選:只具有直線和圓弧插補功能的數控機床在加工不規則曲線概括時,需要用細小直線段或圓弧段去迫臨被加工概括,迫臨時,大概使工件差錯在合格范圍一起程序段的數量少為佳
3. 對零件圖紙進行數控加工工藝性分析
(1)尺寸標注應符合數控加工的特點 在數控編程中,所有點 線 面的尺寸和位置都是以編程原點為基準的 零件圖樣上最好直接給出坐標尺寸,或盡量以同一基準引注尺寸 (2)零件圖的完整性與正確性分析 在編程時,編程人員必須充分掌握構成零件輪廓的幾何要素參數及各幾何要素間的關系 (3)零件技術要求分析 零件的技術要求主要指尺寸精度 形狀精度 位置精度 表面粗糙度及熱處理等,這些要求在保證零件使用性能的前提下,應經濟合理 (4)零件材料分析 在滿足零件功能的前提下,應選用廉價切削性能好的材料;材料選擇應立足國內,不要輕易選擇貴重或緊缺的材料 (5)定位基準選擇 在數控加工中,加工工序往往較集中,以同一基準定位十分重要,有時需要設置輔助基準,特別是正 反兩面都采用數控加工的零件,其工藝基準的統一是十分必要的
4. 數控加工工藝路線的設計
根據數控加工的特點,數控加工工序的劃分一般可按下列方法進行:(1)以一次安裝 加工作為一道工序 這種方法適合于加工內容較少的零件,加工完后就能達到待檢狀態 (2)以同一把刀具加工的內容劃分工序 但程序不宜太長,一道工序的內容也不宜太多(3)以加工部位劃分工序 (4)以粗 精加工劃分工序 一般來說,凡要進行粗 精加工的過程,都要將工序分開
二 平面凸輪的加工
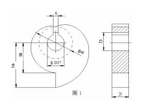
目前,凸輪組織已成為許多高速 高效 高精度自動機 半自動機和自動生產線中不行短少的要害部件,作為凸輪組織中的首要零件 凸輪的加工精度就顯得尤為重要,如何加工出符合精度要求的凸輪?下面以一批平面凸輪(如圖1 所示)的加工為例予以介紹

1. 平面凸輪零件概括圖
2. 技術分析
(1)凸輪曲線分別由幾段圓弧構成,內孔為規劃基準,故取內孔和一個端面為首要定位面,在銜接孔 20 的一個孔內增加削邊銷,在端面用螺母墊圈壓緊 因孔為規劃和定位基準,所以對刀點選在孔中間線與端面的交點上,這樣很簡單斷定刀具中間與零件的相對位置 (2)中間孔與銜接孔的加工 該凸輪零件的中間孔為20,是個規劃定位基準,要與凸輪軸合作,其尺度精度求較高,銜接孔其精度與中間孔相同,故都用鉆 擴 鉸 精鉸的加工計劃(3)凸輪概括加工 因為該凸輪概括是由幾段圓弧構成,普通機床難以對其加工,可選用數控銑床或線切割機床對其加工 因為選用線切割機床對其加工,雖然能確保尺度精度,可是該辦法所需要的時間長,加工成本高,選用數控銑床對其加工,不但能確保尺度精度,并且加工效率高,故選用數控銑床來加工該凸輪概括
3. 加工順序
整個凸輪零件的加工順序的擬定要按照 基面先行,先精后粗 的原則確定 因此要首先加工用做定位基準的 A端面及其與之平行的另一面 其次加工作為定位和設計基準的內孔,最后進行凸輪輪廓的銑削加工
加工步驟:(1)坯料選擇 選用100X100X25 的HT200 的板料作為加工對象(2)兩平行端面的加工 選用平面磨床,以互為基準的方式將坯料加工到圖示尺寸 (3)中心孔及連接孔的加工 用兩塊 40X40X20 的平行墊鐵將工件墊起,以 A平面為定位面,根據工件的基準邊,用百分表將工件找正后用壓板將工件壓緊 用偏心碰觸尋邊器對刀,將零件的基準設為工件零點,工件上表面為 Z向0 (4)零件輪廓銑削加工
4. 數學處理
該凸輪為阿基米德螺旋線凸輪,基圓直徑為 40;左邊凸輪每旋轉10 度升程為 1 毫米,升程誤差值每10 度不能超過0.1 毫米;右邊凸輪每旋轉 10 度升程為 2 毫米,升程誤差值每 10 度不能超過0.1 毫米 根據加工要求,現將兩邊凸輪輪廓分解成由 18 段圓弧段組成,并計算出各點坐標值
用公式一: X (t)= (20+0.1* (t- 90))*cos (t) Y (t)=(20+0.1*(t- 90))*s in (t)和用公式二: X(t)= (20+0.2*(90- t))*cos (t) Y(t)=(20+0.2*(90- t))*s in(t)計算出的各點坐標值為(如表 1):

5. 凸輪的加工程序
凸輪加工的程序及程序說明如下:
O0001
N10 G90G54G00Z100.000
N20 S1000M03
N30 X0.000Y0.000Z100.000
N40 X58.533Y- 24.808
N50 Z10.000
N60 G01Z0.000F100
N70 X56.277Y- 34.550F800
N80 G02X48.791Y- 22.552I2.256J9.742
N90 G03X49.757Y- 5.161I- 49.525J11.471F1000
N100 G03X44.396Y11.792I- 46.622J - 5.418
N110 G03X32.454Y25.637I- 37.518J - 20.288
N120 G03X14.887Y32.872I- 22.795J - 30.406
N130 G01X14.874Y32.874
N140 G03X- 1.288Y30.961I- 4.406J - 32.016
N150 G03X- 12.505Y30.499I- 4.326J - 31.369
N160 G01X- 12.573Y30.484
N170 G03X- 25.947Y24.088I7.612J - 33.097
N180 G03X- 35.295Y13.065I22.333J - 28.414
N190 G03X- 39.698Y- 0.368I33.608J - 18.455
N200 G03X- 39.120Y- 14.243I39.988J - 5.282
N210 G03X- 34.076Y- 26.964I41.216J8.981
N220 G03X- 25.441Y- 37.339I37.792J22.671
N230 G03X- 14.223Y- 44.618I30.104J34.111
N240 G01X- 14.211Y- 44.624
N250 G03X- 10.500Y- 46.128I19.876J43.709
N260 G01Y- 56.000
N270 G03X2.110Y- 66.286I10.500J - 0.000
N280 G03X17.763Y- 60.911I- 12.980J63.277
N290 G01X17.764Y- 60.910
N300 G03X31.606Y- 51.491I- 26.962J54.503
N310 G03X42.356Y- 38.437I- 38.811J42.913
N320 G03X48.791Y- 22.552I- 46.582J28.117
N330 G02X60.783Y- 15.056I9.744J - 2.248F800
N340 G01X58.535Y- 24.800
N350 Z10.000F100
N360 G00Z100.000
N370 X0.000Y0.000
N380 M05
N390 M30
該凸輪零件加工過程中,涉及了坯料的選擇 加工順序的確定 機床選用 裝夾方式的選擇 刀具選用 走刀路線安排 切削參數的設定等工藝內容 工藝設計的好壞直接影響到加工的尺寸精度和表面粗糙度 加工時間的長短 材料和人工的耗費,甚至直接影響到加工的安全性 數控加工工藝分析與處理數控編程是前提和依據,沒有符合實際的科學合理的數控加工工藝,就不可能有真正可行的數控加工程序
本文由 伯特利技術文章 整理發表,文章來自網絡僅參考學習,本站不承擔任何法律責任。
伯特利數控一直以盡心、盡力、盡意的態度把握每一臺 加工中心、鉆攻中心的質量
相關文章可查閱本站:技術文章 或本文下方 標簽 分類
相關產品可查閱本站:產品中心
2024-11
本文以組合式六角亭模型為實例,分析工藝難點與加工可行性,指出該模型的加工難點是模型形狀不規則和整體剛性差,并通過設計新的工藝方案解決加工難點,完成了模型整體的加工。新的加工工藝有助于提高加工效率和精度,為五軸數控加工提供了一個典型案例,對于五軸加工中心數控加工也具有指導作用和重要… [了解更多]
2024-11
宇匠數控 備注:為保證文章的完整度,本文核心內容由PDF格式顯示,如未有顯示請刷新或轉換瀏覽器嘗試,手機瀏覽可能無法正常使用!本文摘要:通過對混聯五軸加工中心自適應深度學習控制方法的 研 究,可 知 此 方 法 的 創 新 之 處 在 于:1)建 立 了 機 床 的 運 動 學 … [了解更多]
2024-11
宇匠數控 備注:為保證文章的完整度,本文核心內容由PDF格式顯示,如未有顯示請刷新或轉換瀏覽器嘗試,手機瀏覽可能無法正常使用!本文摘要:1)本文建立了基于轉角向量和雙弦弓高的局部能量光順算法,該方法以刀心點光順前后最大許用偏移量作為約束,通過計算拐角處微小線段局部能量最優解,可使… [了解更多]
2024-11
在機測量技術由于其成本低、檢測效率高、無需二次裝夾等優勢被廣泛用于零件加工測量當中,使得五軸加工中心和五軸鉆攻中心,同時又兼具測量功能。在機測量系統的構成如圖1所示,硬件部分主要是由高精度探頭、信號接收器、機床整個本體,軟件部分由機床控制系統、測量軟件等組成[8]。待零件加工完成… [了解更多]