一、 問題的提出
目前, 品種多、 批量小以及形狀復雜, 精度高的零件越來越多。為合理解決多品種、 小批量生產的實際需要, 在機械切削加工的企業已逐步使用數控機床來進行切削加工。而數控機床是一種以數字量作為指令信息形式, 通過計算機對這種信息進行處理而實現自動控制的機床, 是計算技術、 電子技術、 自動控制、 伺服驅動、精密測量和精密機械結構等新技術的綜合應用。它已成為金屬切削機床的發展方向, 但是數控機床的編程操作比較復雜,對數控編程操作人員素質要求較高, 同時數控機床價格比較昂貴, 一旦編程操作不慎, 發生碰撞, 其后果不堪設想。 因此編程操作人員必須經過專業培訓。 近幾年來, 全球制造業向中國轉移, 以及國內制造企業的不斷發展壯大, 面向制造企業的技能型人才呈現供不應求的局面, 企業亟需大量有理論基礎和實踐的實用型人才來提升企業的競爭力而舉辦各類各樣的培訓班。但是在培訓班上, 初學數控編程的學員對理解數控加工指令及
加工工藝往往存在困難。 筆者根據教學體會, 談一下怎樣才能理解好數控編程加工指令及加工工藝。
二、 加工指令及加工工藝
首先, 數控加工工藝及程序編制教程對指令為讀者作了如下解釋: 快速定位 (G00) : G00X__Z__, 刀具分別以各軸快速進給速度移動到 X、 Z 值點上。
直線插補(G01) : G01X__Z__F__刀具以指令的進給速度移至坐標值為X、 Z的點上。 例如, 如圖1 所示G01X45Z-20F30(A—B) :

圓弧插補G02 (順時針) 和G03 (逆時針) : G02 (G03) X__Z__R__F__, 刀具以F速度沿半徑R 移至圓弧終點X、 Z 點上。 例如, 如圖 2 所示 G03X50Z-10R10F100 (A—B) :
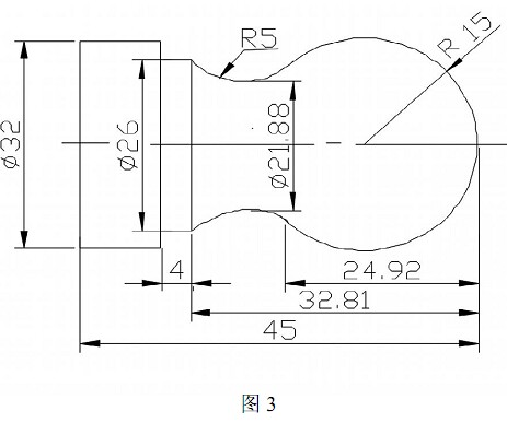
接下來是教程對上述加工指令的應用進行舉例,
如圖 3所示。
購買CNC加工中心 高速加工中心 鉆攻中心 請選擇 伯特利數控


O0001
G00 X100Z100; 定起刀點
M03 S800 T0101; 主軸正轉, 調1 號刀
G00X35Z0; 快速定位至端面加工起點
G01X0Z0F100 ; 車端面至圓弧 R15 的起點
G03X21.88Z-24.92R15F80; 加工 R15 圓弧面
G02X26Z-32.81R5F80; 加工 R5圓弧面
G01X26Z-36.81F80; 加工圓 26 外圓面
G01X32Z-36.81F80; 加工臺階面
G01X32Z-45F80; 加工圓 32外圓面
G00X100Z100; 回起刀點
M05; 主軸停止
M30; 程序結束
從上面所列的內容看, 教程只讓讀者了解指令的定義及格式。但是, 我們都知道車削加工常用的毛坯多為圓棒料, 從圓棒料到零件之間有加工余量大小的問題。 在確定背吃刀量 (即切削深度aP) 時, 一般是先把精加工 (半精加工) 余量扣除, 然后把剩下的粗加工余量盡可能一次切除。 如果粗加工余量較大,機床功率不足, 刀具強度較低, 應分幾次切除余量, 否則會損壞刀具。對加工尺寸精度, 表面粗糙度要求較高的工件, 如果增大背吃刀量aP, 則切削力增大得較快, 引起切削加工的振動, 會使加工零件的表面質量下降, 所以吃刀深度要合理。因此, 初學數控編程的學員往往會問: 數控加工余量大時如何加工?所以單從指令進行講解會使讀者產生疑惑與困難。
三、 改進方法
筆者認為在講解加工指令的同時應講解加工工藝, 以便讀者理解接受所講的加工指令。 在普通車床加工零件, 車床加工的切削用量, 工序工步安排以及走刀路線等內容, 往往都是由操作工人決定, 操作工人會按零件圖樣的技術要求, 按一定的切削深度, 逐層把毛坯的余量切除, 不會因吃刀深度太大而損壞車刀, 從而保證加工零件的質量。 而數控加工的所有工序工步, 切削用量, 走刀路線, 加工余量和所用的尺寸及類型等都要編入程序中, 編程可參照普通車床的逐層加工過程的原理, 使用有關的加工指令把加工過程逐層編寫出來即可。所以筆者在講授數控加工指令時, 會結合普通機加工的切削用量進行一起比較分析。 如上面所列的數控加工例子, 應在講解有關G01,G02, G03等指令時, 要講吃刀深度問題, 若吃刀深度過大, 可分層應用有關加工指令逐層編程加工, 最后一次走刀才按照零件圖樣的尺寸進行編程。這樣可避免初學數控加工的學員誤解數控加工工藝與數控加工指令的關系而產生困惑。經過按每次走刀的吃刀深度, 逐層加工編程之后, 初學數控編程的學員已經對加工指令有了初步的認識, 然后對車削加工余量較大,一個表面需要進行多次反復加工的零件, 為簡化編程可使用固定循環指令 (如G71、 G72、 G73、 G84 等) 編程加工, 若精度要求比較高的零件再配合精車循環(G70)進行編程加工。例如車削如圖 4 所示的臺階工件, 直徑從 45mm車至 25mm, 臺階長度為 35mm。
購買CNC加工中心 高速加工中心 鉆攻中心 請選擇 伯特利數控

那么在講解這個零件加工的有關數控加工指令時, 可參照普通車床分層切削過程的方式, 應用有關的數控加工編程指令對這個零件進行分層編寫車削程序,程序如下:
……
N20 G00 X50 Z2 T0101;刀具快速移動到 S
N30 G01 X40 F80; 車削第 1 次進刀, 背吃刀量 2.5mm
N40 Z-35; 切削
N50 G00 X50; 退刀
N60 Z2; 返回(50, 2)的坐標點
N70 G00 X35; 車削第2 次進刀, 背吃刀量2.5mm
N80 G01Z-35 F80; 切削
N90 G00 X50; 退刀
N100 Z2; 返回(50, 2)的坐標點
N110 G00 X30; 車削第 3 次進刀, 背吃刀量 2.5mm
N120 G01 Z-35 F80; 切削
N130 G00 X50; 退刀
N140 Z2; 返回(50, 2)的坐標點
N150 G00 X25; 車削第4 次進刀, 背吃刀量 2.5mm
N160 G01 Z-35 F80; 切削
N170 G00 X50; 退刀
N180 G00 X100 Z100;返回換刀點 (100, 100) 上
……
從對這個零件進行分層循環加工的過程中, 可從上述有關數控編程看出, 數控循環車削過程包括了 “切入—切削—退刀—返回” 等 4 個動作, 每次進刀深度都為2.5mm。它與普通車床手動加工相一致。這樣講解就方便初學數控編程的學員理解加工指令與加工工藝。在此基礎上為減少編程工作量和進一步提高編程水平, 可用循環指令 (GSK980T 車床數控系統)編寫這個零件車削程序如下:
……
N20 G00 X50 Z2 T0101; 刀具快速移動到 S 點
N30G71U2.5R0.5;粗車循環開始, 背吃刀量2.5mm, 退刀量 0.5mm
N40 G71 P50 Q70 U0.3 W0.2 F80;
N50 G00 X25; 參加粗車循環的第一段程序
N60 G01 X25 Z-35 F80;
N70 G01 X50 Z-35; 參加粗車循環的最后一段程序
N80 G00 X100 Z100; 返回換刀點(100, 100)上
N90 T0202; 調精車刀
N100 G70 P50 Q70; 精車 N50~N70所指定程序段到尺寸
N110 G00 X100 Z100; 返回換刀點(100, 100)上
M30; 程序結束
或者采用TUN120CNC車床G84縱向車削循環編程如下:
N20 G00 X50 Z2; 刀具快速至S 點
N30 G84 X25 Z-35D32500F 100;D32500為分層切削深度
總而言之,在給初學數控編程的學員講解數控加工指令時, 應把數控加工指令及加工工藝綜合在一起進行講授, 從簡單到復雜講解有關數控加工指令。
四、 總結
通過對數控加工指令及加工工藝綜合在一起進行分析講授, 實際情況證明, 這種方法能夠使初學數控編程的學員較好地理解數控加工指令及加工工藝, 使初學者對數控的學習變得比較容易, 從而滿足初學數控編程的學員對數控編程知識的要求, 為提高我國制造業技術水平打下基礎。
購買加工中心 高速加工中心 鉆攻中心 CNC加工中心 請選擇 伯特利數控
2024-11
本文以組合式六角亭模型為實例,分析工藝難點與加工可行性,指出該模型的加工難點是模型形狀不規則和整體剛性差,并通過設計新的工藝方案解決加工難點,完成了模型整體的加工。新的加工工藝有助于提高加工效率和精度,為五軸數控加工提供了一個典型案例,對于五軸加工中心數控加工也具有指導作用和重要… [了解更多]
2024-11
宇匠數控 備注:為保證文章的完整度,本文核心內容由PDF格式顯示,如未有顯示請刷新或轉換瀏覽器嘗試,手機瀏覽可能無法正常使用!本文摘要:通過對混聯五軸加工中心自適應深度學習控制方法的 研 究,可 知 此 方 法 的 創 新 之 處 在 于:1)建 立 了 機 床 的 運 動 學 … [了解更多]
2024-11
宇匠數控 備注:為保證文章的完整度,本文核心內容由PDF格式顯示,如未有顯示請刷新或轉換瀏覽器嘗試,手機瀏覽可能無法正常使用!本文摘要:1)本文建立了基于轉角向量和雙弦弓高的局部能量光順算法,該方法以刀心點光順前后最大許用偏移量作為約束,通過計算拐角處微小線段局部能量最優解,可使… [了解更多]
2024-11
在機測量技術由于其成本低、檢測效率高、無需二次裝夾等優勢被廣泛用于零件加工測量當中,使得五軸加工中心和五軸鉆攻中心,同時又兼具測量功能。在機測量系統的構成如圖1所示,硬件部分主要是由高精度探頭、信號接收器、機床整個本體,軟件部分由機床控制系統、測量軟件等組成[8]。待零件加工完成… [了解更多]