本文針對數控銑床上應用的SINUMERIK802D 系統和FANUC 0i 系統在編程指令、編程方法上的幾點不同,進行簡單的分析比較,僅供機床操作編程人員參考與借鑒。均以伯特利數控機床為實際操作平臺來取得數據
1 數控加工程序結構的異同
數控加工程序有程序開始、若干個程序段、程序結束三部分組成。
每個程序對應一個程序名稱(即程序號)。SINUMERIK 802D 系統的主程序擴展名為MPF, 由系統自動輸入;而子程序擴展名為SPF,必須與文件名一起輸入。而FANUC 0i系統中主程序和子程序的程序號規定相同,都是由地址“O”和后面的4 位數字組成,如O1111。
2 編程指令的異同
2.1 目標點的坐標值表示方法
程序中目標點的坐標值用絕對坐標或增量坐標表示,分別用G90、G91 指定。
而SINUMERIK 802D 系統還可以在程序中通過AC 或IC 以絕對尺寸或相對尺寸方式設定,使編程更為靈活。
2.2 基本位移指令
基本位移指令有G00、G01、G02、G03四種。G00 和G01 的編程格式基本相同。但圓弧插補指令有所區別:對于FANUC 0i 系統,圓弧插補有終點/圓弧半徑和終點/圓心坐標兩種方式,而SINUMERIK 802D 系統還有張角/ 圓心、張角/ 終點極坐標編程方式,以及通過中間點和切線過渡進行圓弧插補的編程方式。
2.3 刀具半徑補償指令
在銑削零件輪廓時,由于刀具半徑尺寸而影響零件實際輪廓尺寸。為了避免計算刀具中心軌跡,數控系統提供了刀具半徑補償功能,使編程人員可以直接按零件圖尺寸進行編程。
(1)共同點
a.指令及功能 G41是刀具半徑左補償指令,即沿著刀具行進方向看(假定工件不動),刀具始終位于工件輪廓的左側;G42是刀具半徑右補償指令;G40 是取消刀具半徑補償指令。
b.編程格式
建立刀具半徑補償:G17(G18,G19)GO1(G00) G41(G42)XYD;
取消刀具半徑補償:G17(G18,G19)GO1(G00) G40XYD;
幾點說明:首先,半徑補償必須在確定的平面中進行;其次,建立和取消半徑補償必須與G01 或G00 指令組合使用;第三,程序中的 X、Y 是 G01、G00 運動的終點坐標;第四,D 代碼指的是刀具偏置量的存儲地址。偏置量可用 CRT/MDI 方式輸入。
(2)不同點
SINUMERIK 802D 系統,G41、G42 可以直接相互轉換, 不用 G40 取消刀補。但FANUC 0i 系統中,刀補方向改變時,必須先經過G40 取消刀補,才能建立新刀補。
2..4 刀具長度補償指令
加工一個工件往往需要多把刀具,而每把刀具的長度不同。數控系統提供的刀具長度補償功能,可保證工件的正確加工。長度尺寸偏置量用 CRT/MDI 方式輸入。
對于SINUMERIK 802D 系統,在調用刀具后, 刀具長度補償自動生效。而 FANUC0i 系統需要設置:
(1)指令及功能
G43、G44 是建立刀具長度正補償和負補償,G49 是取消刀具長度補償。
(2)編程格式
建立刀具長度補償:G43(G44)G00(G01)ZH;
取消刀具長度補償:G49G00(G01)Z;
2..5 固定循環功能
為提高編程工作效率,數控系統設有固定循環功能,即對一些加工過程中典型的固定、連續動作,用一個程序段來表達。比如用固定循環指令來進行孔或槽的加工。
(1)SINUMERIK 802D系統固定循環功能
指特定加工過程中的工藝子程序,只要改變參數就可以實現各種循環功能。
固定循環中使用的基本參數含義如下表1所示,參數示意如圖 1 所示。
(2)FANUC 0i 系統固定循環功能
固定循環指令包括在 XY 平面定位、快速移動到 R 平面、孔的切削加工、孔底動作、返回到R 平面、返回起始平面6 個基本動作,如圖 2 所示。
編程格式:G90(G91) G98(G99) G73~G89 XYZRQPFK。
表1 SINUMERIK 802D 固定循環的基本參數
購買CNC加工中心 高速加工中心 鉆攻中心 請選擇 伯特利數控



購買CNC加工中心 高速加工中心 鉆攻中心 請選擇 伯特利數控
3 編程比較
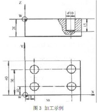
圖3 所示零件,加工孔系,零點在工件左上角, 選用Φ 10mm 的鉆頭, 進給速度F=15mm/min,主軸轉速S=500r/min。我們分別在兩系統中進行編程,程序如下:
4 結語
隨著數控加工技術在制造業中的廣泛應用,數控機床逐漸普及。掌握這兩類典型數控系統編程方法上的異同,將有助于編程人員和機床操作者熟練使用數控機床。
2024-11
本文以組合式六角亭模型為實例,分析工藝難點與加工可行性,指出該模型的加工難點是模型形狀不規則和整體剛性差,并通過設計新的工藝方案解決加工難點,完成了模型整體的加工。新的加工工藝有助于提高加工效率和精度,為五軸數控加工提供了一個典型案例,對于五軸加工中心數控加工也具有指導作用和重要… [了解更多]
2024-11
宇匠數控 備注:為保證文章的完整度,本文核心內容由PDF格式顯示,如未有顯示請刷新或轉換瀏覽器嘗試,手機瀏覽可能無法正常使用!本文摘要:通過對混聯五軸加工中心自適應深度學習控制方法的 研 究,可 知 此 方 法 的 創 新 之 處 在 于:1)建 立 了 機 床 的 運 動 學 … [了解更多]
2024-11
宇匠數控 備注:為保證文章的完整度,本文核心內容由PDF格式顯示,如未有顯示請刷新或轉換瀏覽器嘗試,手機瀏覽可能無法正常使用!本文摘要:1)本文建立了基于轉角向量和雙弦弓高的局部能量光順算法,該方法以刀心點光順前后最大許用偏移量作為約束,通過計算拐角處微小線段局部能量最優解,可使… [了解更多]
2024-11
在機測量技術由于其成本低、檢測效率高、無需二次裝夾等優勢被廣泛用于零件加工測量當中,使得五軸加工中心和五軸鉆攻中心,同時又兼具測量功能。在機測量系統的構成如圖1所示,硬件部分主要是由高精度探頭、信號接收器、機床整個本體,軟件部分由機床控制系統、測量軟件等組成[8]。待零件加工完成… [了解更多]